logo
CENO Electronics Technology Co.,Ltd
E-Mail inquiry@ceno360.com TELEFON: 86-755-23420945

2 Kanäle HF-Rotationsgelenk mit Frequenzbereich DC-4,5 GHz für Radaranten

Hochfrequenz-Drehgelenk
2025-11-19
882 Ansichten
Kontaktieren Sie uns jetzt
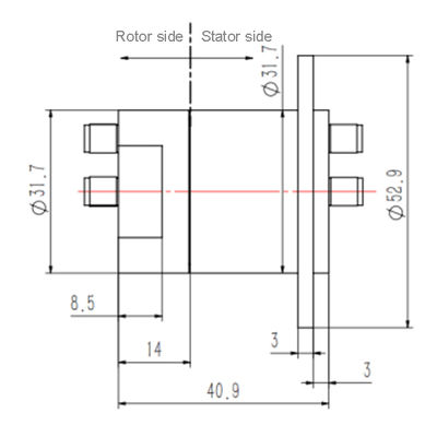
2-Kanal-HF-Drehgelenk mit Frequenzbereich DC-4,5 GHz für Radarantennen RCN0204E ist ein CENO 2-Kanal-HF-Drehgelenk mit Steckertyp SMA-K (50Ω). Es wurde speziell für die Übertragung von Hochfrequenzsig... Weitere Informationen
Nachrichten des Besuchers Hinterlassen Sie eine Nachricht
2 Kanäle HF-Rotationsgelenk mit Frequenzbereich DC-4,5 GHz für Radaranten
2 Kanäle HF-Rotationsgelenk mit Frequenzbereich DC-4,5 GHz für Radaranten
Kontaktieren Sie uns jetzt
Mehr erfahren
Verwandte Videos
Integrierter RF-Schleifring mit Encoder-Ethernet-Signal und Hochfrequenz-Drehgelenk 00:16
Integrierter RF-Schleifring mit Encoder-Ethernet-Signal und Hochfrequenz-Drehgelenk

Integrierter RF-Schleifring mit Encoder-Ethernet-Signal und Hochfrequenz-Drehgelenk

Hochfrequenz-Drehgelenk
2026-03-18
Tieftemperatur-Integrierter Hochfrequenz-Schleifring mit Hochfrequenz-Drehgelenk 00:19
Tieftemperatur-Integrierter Hochfrequenz-Schleifring mit Hochfrequenz-Drehgelenk

Tieftemperatur-Integrierter Hochfrequenz-Schleifring mit Hochfrequenz-Drehgelenk

Hochfrequenz-Drehgelenk
2026-03-17
Ein-Kanal-Hochfrequenz-Drehgelenk mit HF-Schleifring für niedrige Temperaturen 00:30
Ein-Kanal-Hochfrequenz-Drehgelenk mit HF-Schleifring für niedrige Temperaturen

Ein-Kanal-Hochfrequenz-Drehgelenk mit HF-Schleifring für niedrige Temperaturen

Hochfrequenz-Drehgelenk
2026-03-16
3 HF Rotationsgewinde Niedertemperatur-Integration Leistung & Radiofrequenz Rutschring 00:21
3 HF Rotationsgewinde Niedertemperatur-Integration Leistung & Radiofrequenz Rutschring

3 HF Rotationsgewinde Niedertemperatur-Integration Leistung & Radiofrequenz Rutschring

Hochfrequenz-Drehgelenk
2026-01-20
Niedertemperatur integrierte Leistung und Funkfrequenz Rutschring kombinierte HF-Rotationsgemeinschaft 00:21
Niedertemperatur integrierte Leistung und Funkfrequenz Rutschring kombinierte HF-Rotationsgemeinschaft

Niedertemperatur integrierte Leistung und Funkfrequenz Rutschring kombinierte HF-Rotationsgemeinschaft

Hochfrequenz-Drehgelenk
2026-01-20
2 Kanäle Radiofrequenz Drehverbindung mit HF-Ringanzug Niedrigtemperatur 00:20
2 Kanäle Radiofrequenz Drehverbindung mit HF-Ringanzug Niedrigtemperatur

2 Kanäle Radiofrequenz Drehverbindung mit HF-Ringanzug Niedrigtemperatur

Hochfrequenz-Drehgelenk
2026-01-20
4 Kanäle HF-Rotationsgewinde kombinierte elektrische Leistung Rutschring bei niedriger Temperatur 00:25
4 Kanäle HF-Rotationsgewinde kombinierte elektrische Leistung Rutschring bei niedriger Temperatur

4 Kanäle HF-Rotationsgewinde kombinierte elektrische Leistung Rutschring bei niedriger Temperatur

Hochfrequenz-Drehgelenk
2025-11-19
2 Kanäle HF-Rotationsgelenk kombinierte elektrische Leistung und Signal für Radar 00:22
2 Kanäle HF-Rotationsgelenk kombinierte elektrische Leistung und Signal für Radar

2 Kanäle HF-Rotationsgelenk kombinierte elektrische Leistung und Signal für Radar

Hochfrequenz-Drehgelenk
2025-11-19
Integrieren Sie elektrische Energie Ethernet & RF-Slip Ring mit Radiofrequenz Rotary Union 00:21
Integrieren Sie elektrische Energie Ethernet & RF-Slip Ring mit Radiofrequenz Rotary Union

Integrieren Sie elektrische Energie Ethernet & RF-Slip Ring mit Radiofrequenz Rotary Union

Hochfrequenz-Drehgelenk
2025-09-12
Niedrige Temperatur integrieren elektrische Energie Ethernet & RF Rotation Union Rutschring 00:21
Niedrige Temperatur integrieren elektrische Energie Ethernet & RF Rotation Union Rutschring

Niedrige Temperatur integrieren elektrische Energie Ethernet & RF Rotation Union Rutschring

Hochfrequenz-Drehgelenk
2025-09-12
Integrieren Sie elektrische Energie und Radiofrequenz-Slipring mit RF-Rotationsgemeinschaft 00:19
Integrieren Sie elektrische Energie und Radiofrequenz-Slipring mit RF-Rotationsgemeinschaft

Integrieren Sie elektrische Energie und Radiofrequenz-Slipring mit RF-Rotationsgemeinschaft

Hochfrequenz-Drehgelenk
2025-08-28
Niedertemperatur-Integrierte RF-Rotations-Gelenkschleifring mit 1000M Ethernet-Signal 00:48
Niedertemperatur-Integrierte RF-Rotations-Gelenkschleifring mit 1000M Ethernet-Signal

Niedertemperatur-Integrierte RF-Rotations-Gelenkschleifring mit 1000M Ethernet-Signal

Faser-Optikdrehgelenk
2024-01-04
Wellenführer-Slipring mit 2 Kanälen CPRG187G Radiofrequenz-Rotationsgewinde 00:29
Wellenführer-Slipring mit 2 Kanälen CPRG187G Radiofrequenz-Rotationsgewinde

Wellenführer-Slipring mit 2 Kanälen CPRG187G Radiofrequenz-Rotationsgewinde

Hochfrequenz-Drehgelenk
2025-08-28
3 Kanäle Radiofrequenz-Rotationsgelenk mit HF-Slip Ring für Radarantenne 00:36
3 Kanäle Radiofrequenz-Rotationsgelenk mit HF-Slip Ring für Radarantenne

3 Kanäle Radiofrequenz-Rotationsgelenk mit HF-Slip Ring für Radarantenne

Hochfrequenz-Drehgelenk
2024-07-30
Carbon Brush Slip Ring mit Durchlöchern 60 mm 8 Schaltkreise und Aluminiumlegierung Gehäuse für industrielle Anwendungen 00:25
Carbon Brush Slip Ring mit Durchlöchern 60 mm 8 Schaltkreise und Aluminiumlegierung Gehäuse für industrielle Anwendungen

Carbon Brush Slip Ring mit Durchlöchern 60 mm 8 Schaltkreise und Aluminiumlegierung Gehäuse für industrielle Anwendungen

industrieller Schleifring
2026-04-27